
0731-85228888 / 13297400000
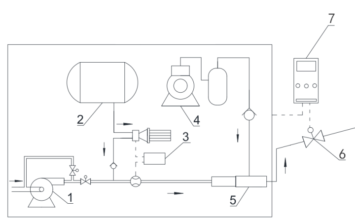
压缩空气泡沫产生装置也称为压缩空气泡沫比例混合装置,是能产生压缩空气泡沫的装置,主要包括供水装置、供气装置、泡沫液储罐、泡沫比例混合装置、气液混合装置、控制系统、管路等。
压缩空气泡沫比例混合装置产生的压缩空气泡沫具有泡沫结构均匀细腻、泡沫稳定性高、灭火能力强、效率高的特点,可快速有效扑灭A类火灾、B类火灾、AB类混合火灾和立体遮挡火灾等复杂条件下的火灾,同时可具有良好的隔热保护性能和抗复燃性能。

| 1 消防水泵 | 2 泡沫液储罐 | 3 泡沫比例混合装置 | 4 供气设施 |
| 5 气液混合装置 | 6 控制装置 | 7 控制阀 |
灭火系统启动后,压力水和泡沫液通过比例混合装置按照一定比例进行混合,形成泡沫混合液,再通过气液混合装置向泡沫混合液中正压注入一定比例的压缩空气,形成一定发泡倍数的压缩空气泡沫。
Copyright © 2002-2024 立博买球 版权所有 备案号: 湘ICP备10202298号 湘公网安备 43012402000493号